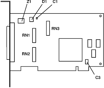
PCI Differential Ultra SCSI Adapter/A
Type 4-L #6207


Fileset current level:
  • devices.pci.00100f00.rte SYM53C8xxA PCI SCSI I/O
  • devices.pci.00100100.com Common Symbios PCI SCSI /O
  • devices.pci.00100100.rte Standard NCR53C810 SCSI
    *
    FRU Adapter..... 40H6595 Connector: 68p high-density micro D-shell
                                      CABLING                                   
    1) Adapter FRU meter FC 2) Adapter-to-dual conn device narrow 8-bit.. 70G9858 1.0m #2112 4) Device-to-dual conn device narrow 8-bit... 74G8511 0.6m #2848/9134 6) Terminator 8-bit.......................... 87G1356 N/A
    *
    1) Adapter FRU meter FC 3) Adapter-to-dual conn device wide 16-bit .. 70G9857 1.0m #2116 5) Device-to-dual conn device wide 16-bit.... 52G4291 0.6m #2884/9160 or 52G9921 0.3m #2860/9139 7) Terminator 16-bit.......................... 61G8324 N/A
                            MULTI-INITIATOR WITH Y CABLES                          
    *
    FRU meter FC 1) Adapter 2) Dual port device 3) Y-cable................................... 52G0173 0.94 #2114 4) Device-to-dual conn device wide 16-bit.... 52G4291 0.6 #2884/9160 52G4233 2.5 88G5749 4.5 88G5747 12.0 88G5748 14.0 5) Terminator 16-bit.......................... 61G8324 N/A Adapter-to-dev 16-bit 2-conn........... 70G9857 1m #2116 SCSI adapter to backplane.............. F/C Cable Description Length (meters) _________________________________________________________________________________________ 2112 Adapter-to-first device (where first device has 70G9858 1.0 two connectors), 8-bit narrow bus 2114 16-bit Y-Cable 52G0173 0.94 one connectors), 8-bit narrow bus 2116 Adapter-to-first device (where first device has 06H6036 1.0 SCSI adapter to backplane 06H6660